We use cookies to make your experience better. To comply with the new e-Privacy directive, we need to ask for your consent to set the cookies. Learn more.
SKU
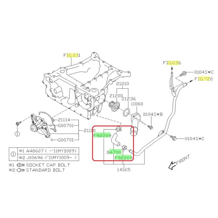
WP Kit 10-14 Outback - 36D
Subaru OEM water pump hoses & clamps for the 2010 - 2014 Outback with the EZ36D engine. When purchasing Subaru OEM parts you get the OEM quality and fitment.
If you have any questions about this kit please reach out and we are happy to help!







