We use cookies to make your experience better. To comply with the new e-Privacy directive, we need to ask for your consent to set the cookies. Learn more.
Secondary Air Pump System Refresh Kit for 2007 Subaru STI
Overview:
Flatirons Tuning is delighted to present our specialized Secondary Air Pump System Refresh Kit, meticulously compiled for 2007 Subaru STI owners. This comprehensive package is designed exclusively for the 2007 Subaru STI models that came with a secondary air pump system from the factory.
Background:
The 2007 Subaru STI, like many of its contemporaries, was factory-fitted with a secondary air pump system to optimize cold start emissions. Over time, it became popular among car aficionados to remove these systems and bypass the related codes. However, with the tightening regulations set by the EPA, many Subaru STI owners are now tasked with the challenge of reverting their emissions-deleted vehicles back to their original factory standards.
Important Note:
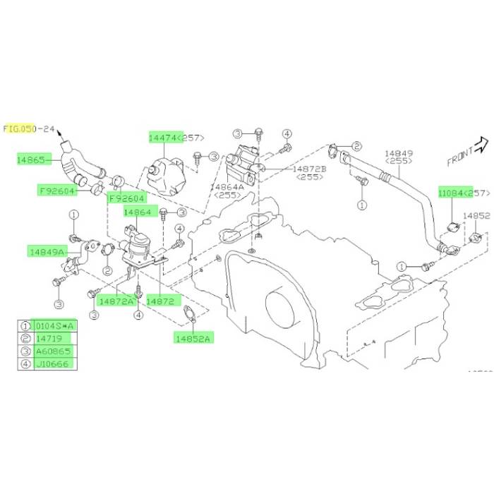
The Resonator Tank P/N 14474AA020 and the Blanking Plate P/N 11084AA020, as showcased in our product images, have been discontinued. Customers will need to source used or aftermarket replacements for these specific parts.
Why Choose Our Kit?
- Authenticity Assured: Every component, barring the discontinued parts, in this kit is an Authentic Subaru OEM Part, ensuring top-tier quality and a perfect fit for your 2007 STI.
- Comprehensive Set: Our kit offers all the essential components, minus the discontinued parts, saving you the effort of searching for individual parts.
- Factory Fit: Each piece is precisely engineered to match the quality and specifications of the original parts, guaranteeing a seamless fit and function.
- Compliance Guaranteed: Amidst the evolving automotive regulatory landscape, our kit ensures your Subaru STI remains in line with the EPA's emissions standards.
Stay ahead of the curve and ensure your 2007 Subaru STI remains compliant with the latest EPA regulations. Trust Flatirons Tuning's Secondary Air Pump System Refresh Kit for a comprehensive, yet straightforward solution tailored for your Subaru STI's needs.
Order today to rejuvenate your Subaru's emissions system with genuine Subaru parts, and remember to source replacements for the discontinued components!






