We use cookies to make your experience better. To comply with the new e-Privacy directive, we need to ask for your consent to set the cookies. Learn more.
SKU
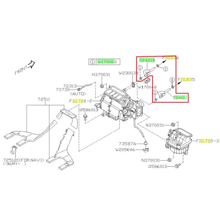
HC Kit 07-09 Outback XT
Subaru OEM heater hoses & clamps for the 2007 - 2009 Outback XT. When purchasing Subaru OEM parts you get the OEM quality and fitment.
If you have any questions about this kit please reach out and we are happy to help!







