We use cookies to make your experience better. To comply with the new e-Privacy directive, we need to ask for your consent to set the cookies. Learn more.
SKU
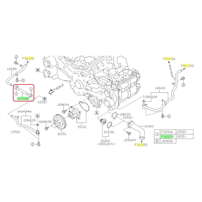
Complete Coolant Kit 19-23 Crosstrek Hybrid
This kit inludes all the coolant hoses that typically deteriorate over time. We, Flatirons Tuning, have put together this kit so you don't have to search for all the necessary hoses needed.
We use all 100% geniune Subaru OEM parts to guarentee quality and fitment.
Kit Includes:
- Water Pump Hose Kit
- Coolant Crossover Hose Kit
- Inverter Cooling Hose Kit
- Radiator Hose Kit
- Heater Core Hose Kit
[ NOTE ] These kits are made up of individual parts from Subaru. Depending on their stock there is potential for delays. Please contact us if you have any questions.
[ Excluded from Shipping Specials ]






