We use cookies to make your experience better. To comply with the new e-Privacy directive, we need to ask for your consent to set the cookies. Learn more.
SKU
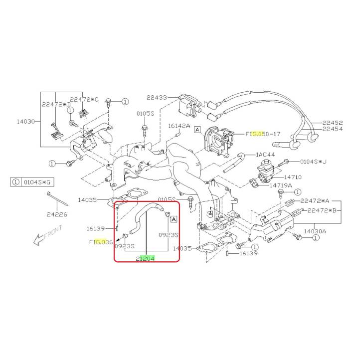
CC Kit 04-05 Forester
Subaru OEM coolant crossover hoses & clamps for the 2004 - 2005 Forester. When purchasing Subaru OEM parts you get the OEM quality and fitment.
If you have any questions about this kit please reach out and we are happy to help!







