We use cookies to make your experience better. To comply with the new e-Privacy directive, we need to ask for your consent to set the cookies. Learn more.
SKU
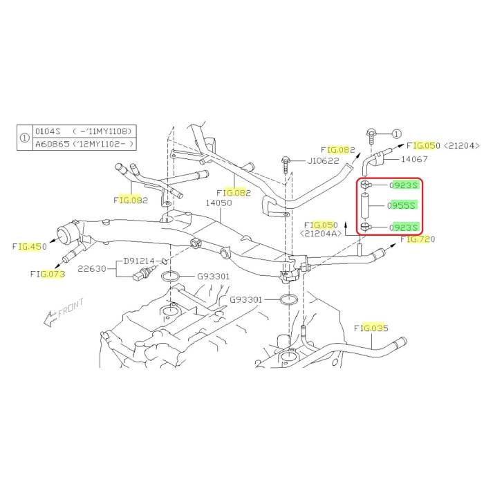
CC Hose Kit 10-12 LGT
Subaru OEM coolant crossover hoses & clamps for the 2010 - 2012 Legacy GT. When purchasing Subaru OEM parts you get the OEM quality and fitment.
If you have any questions about this kit please reach out and we are happy to help!







