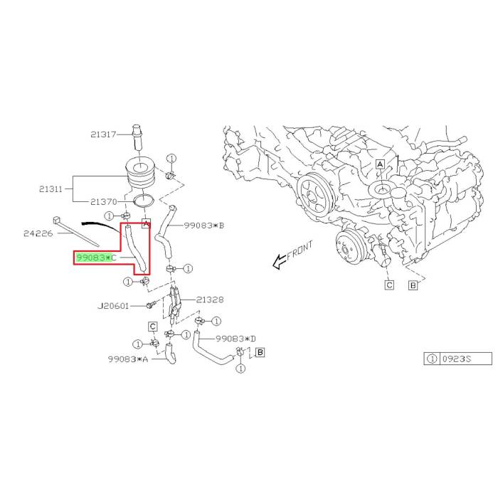
Subaru OEM Oil Cooler Hose - 99083AA891 (22+ BRZ)

SKU
99083AA891
0 0
More from Subaru OEM