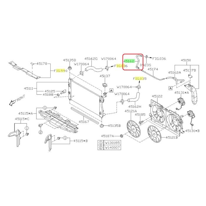
Subaru OEM Coolant Overflow Hose - 45162FN000 (24+ Impreza - 20D)

SKU
45162FN000
0 0