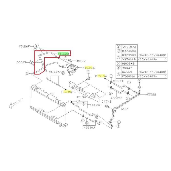
Subaru OEM Coolant Expansion Tank Hose - 45162FC090 (03-05 Forester XT)

SKU
45162FC090
0 0