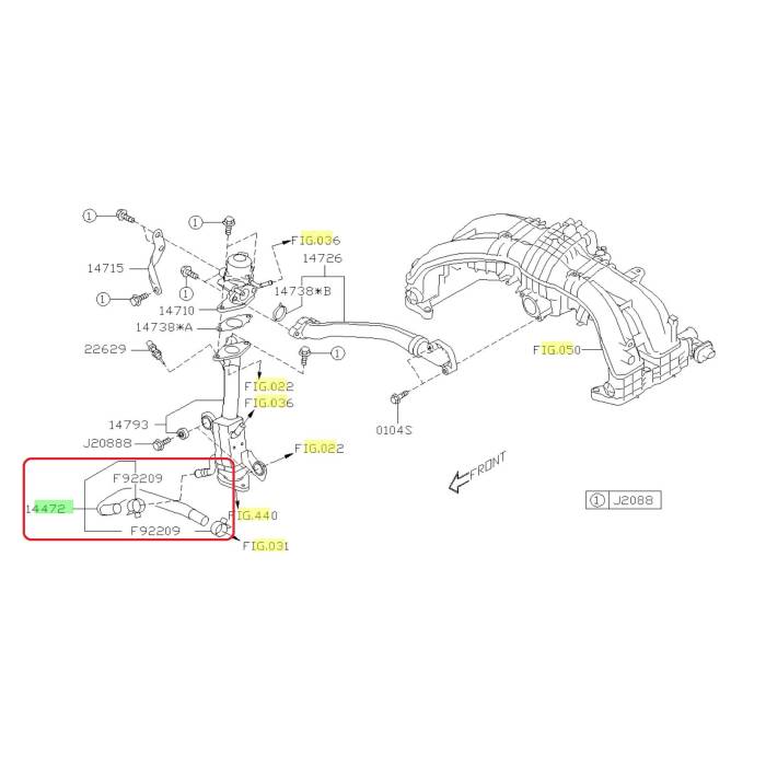
Subaru OEM CVT Cooler Hose - 14472AA900 (19-23 Crosstrek Hybrid)

SKU
14472AA900
0 0