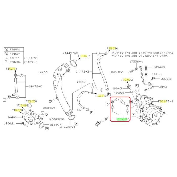
Subaru OEM Turbo Coolant Hose - 14472AA77B (19+ Ascent)

SKU
14472AA77B
0 0