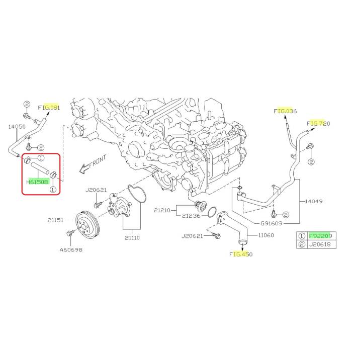
Subaru OEM Coolant Hose - 14472AA76A (17-23 Impreza)

SKU
14472AA76A
0 0