We use cookies to make your experience better. To comply with the new e-Privacy directive, we need to ask for your consent to set the cookies. Learn more.
SKU
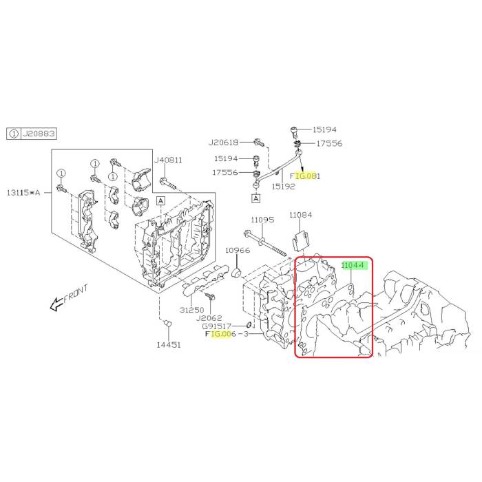
11044AA870
Subaru OEM head gasket for the FB20B engine.
RIGHT HAND SIDE ONLY






